交直流微电网
案例介绍
包含交流配电系统、直流配电系统、直流楼宇、直流数据中心、充电堆、直流负荷,以及VSC换流站等设备的交直流混合微电网的典型案例。
使用方法说明
- VSC换流站直流侧至少包含一种 DC slack 或 DC droop 控制。
算例介绍
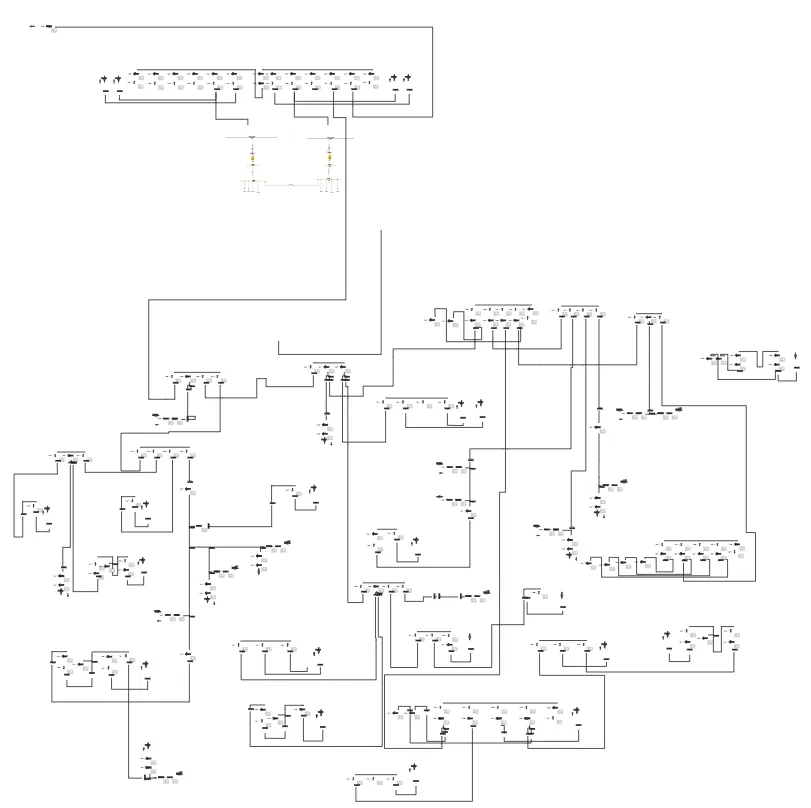
交直流混合微电网主要由交流配电系统、直流配电系统、VSC换流站三个部分组成。
交流配电系统由 1 台交流电压源、383 条交流母线、157条交流传输线、42台交流变压器,以及37条交流负荷组成。

直流配电系统由 4 条直流母线、3 条直流传输线、 8条直流负荷组成。
VSC换流站由交流侧节点类型、直流侧节点类型、换流站注入交流网络的有功功率、换流站注入交流网络的无功功率、交流侧母线控制电压、变压器电阻、变压器电抗、滤波器电纳、换相电阻、换相电抗、恒定网损系数、线性网损系数、整流器二次损耗系数、逆变器二次损耗系数、直流电压下垂系数、电压下垂功率设定值、电压下垂电压设定值等参数组成。

算例仿真测试
对该交直流混合微电网模型进行了交直流潮流计算测试。
交直流潮流计算结果
交直流潮流计算结果如下所示。




通过交直流潮流计算结果,得出:交流母线电压保持在0.9344 ~1.0000 p.u.之间,满足运行要求;交流线路潮流水平整体较低,功率分布平衡;直流系统中功率注入与消纳相匹配,母线电压稳定在0.9969~1.000 p.u.;VSC换流站运行正常,具备稳定的有功传输与容性无功调节能力,有效支撑交直流系统协同运行。