30 节点测试系统
描述
IEEE30 节点测试系统是电力系统分析中广泛使用的经典测试案例1,该系统包括 30 条母线,6 台发电机和 7 台变压器。该系统包含了变压器、并联补偿等典型电力系统元件,适用于电力系统潮流计算与静态安全分析。用户可进一步将电压源替换为同步发电机或新能源模型,开展暂态稳定仿真分析。
模型介绍
模型拓扑
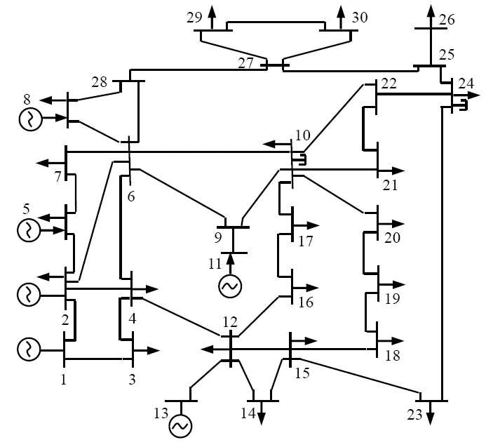
IEEE30 节点算例拓扑图如下,其中 Bus1 号节点为松弛节点。系统通过变压器实现不同电压等级的互联,形成了典型的层次化网络结构,电压等级包括132、33、11 和 1kV。

CloudPSS 上该算例采用单线图构建,其拓扑如下。

模型参数
所有母线参数、传输线参数、变压器参数、负荷参数、电机参数均来源于标准数据文件1。
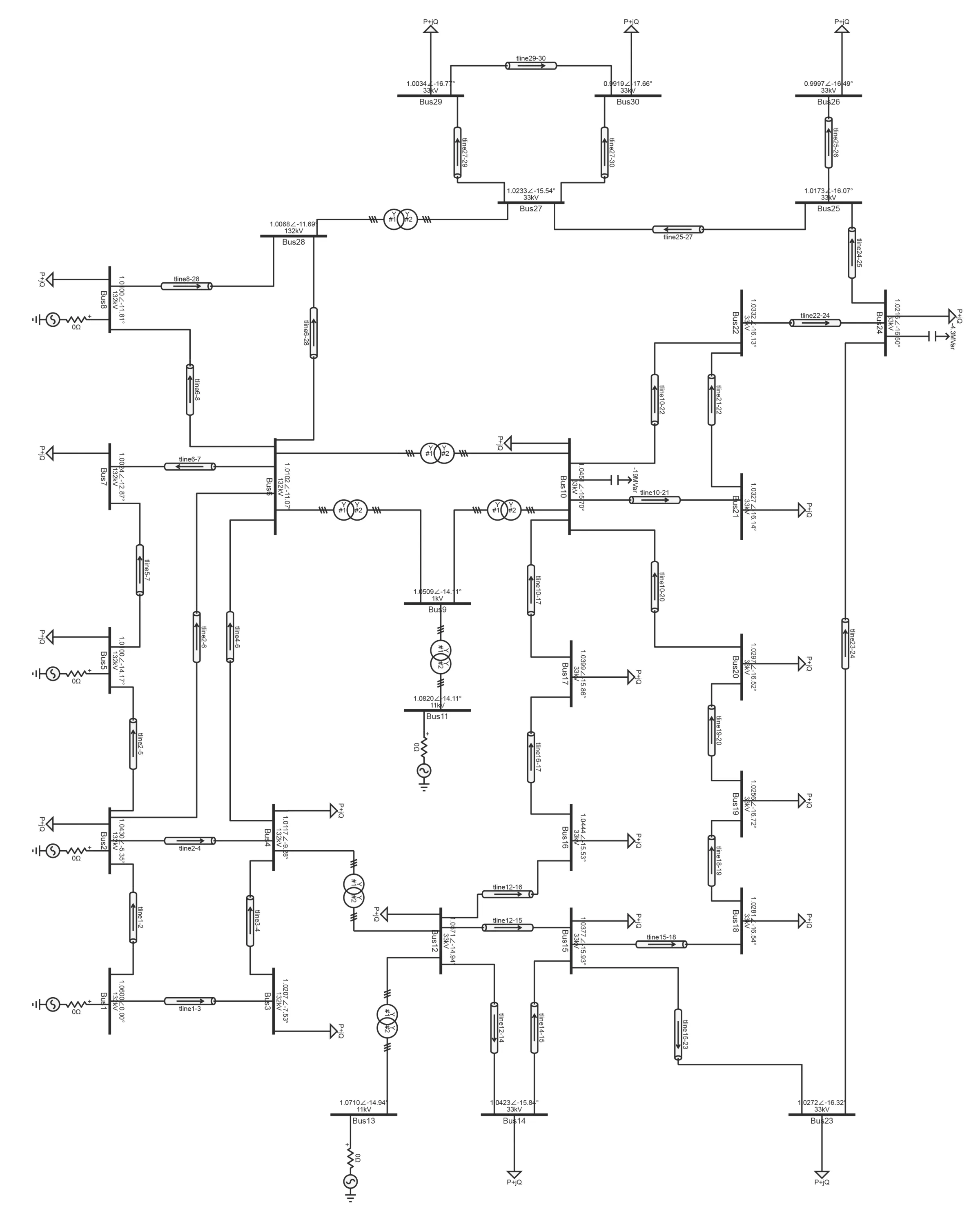
潮流计算
基于相同的标准数据文件,在 CloudPSS 和 BPA 中分别进行潮流计算,对计算结果进行对比验证。
母线潮流计算结果
CloudPSS 与 BPA 母线潮流计算中电压幅值与相角的结果及误差如下表所示。
| 母线编号 | 母线名 | 参数类型 | BPA潮流结果 | CloudPSS潮流结果 | 误差绝对值 |
|---|---|---|---|---|---|
| 1 | Bus1 | Vm(pu) | 1.060 | 1.060 | 0.000 |
| Va(deg) | 0.000 | 0.000 | 0.000 | ||
| 2 | Bus2 | Vm(pu) | 1.043 | 1.043 | 0.000 |
| Va(deg) | -5.350 | -5.350 | 0.000 | ||
| 3 | Bus3 | Vm(pu) | 1.021 | 1.021 | 0.000 |
| Va(deg) | -7.532 | -7.532 | 0.000 | ||
| 4 | Bus4 | Vm(pu) | 1.012 | 1.012 | 0.000 |
| Va(deg) | -9.284 | -9.284 | 0.000 | ||
| 5 | Bus5 | Vm(pu) | 1.010 | 1.010 | 0.000 |
| Va(deg) | -14.167 | -14.167 | 0.000 | ||
| 6 | Bus6 | Vm(pu) | 1.010 | 1.010 | 0.000 |
| Va(deg) | -11.065 | -11.065 | 0.000 | ||
| 7 | Bus7 | Vm(pu) | 1.002 | 1.002 | 0.000 |
| Va(deg) | -12.866 | -12.866 | 0.000 | ||
| 8 | Bus8 | Vm(pu) | 1.010 | 1.010 | 0.000 |
| Va(deg) | -11.815 | -11.815 | 0.000 | ||
| 9 | Bus9 | Vm(pu) | 1.051 | 1.051 | 0.000 |
| Va(deg) | -14.110 | -14.110 | 0.000 | ||
| 10 | Bus10 | Vm(pu) | 1.045 | 1.045 | 0.000 |
| Va(deg) | -15.700 | -15.701 | 0.001 | ||
| 11 | Bus11 | Vm(pu) | 1.082 | 1.082 | 0.000 |
| Va(deg) | -14.110 | -14.110 | 0.000 | ||
| 12 | Bus12 | Vm(pu) | 1.057 | 1.057 | 0.000 |
| Va(deg) | -14.944 | -14.944 | 0.000 | ||
| 13 | Bus13 | Vm(pu) | 1.071 | 1.071 | 0.000 |
| Va(deg) | -14.944 | -14.944 | 0.000 | ||
| 14 | Bus14 | Vm(pu) | 1.042 | 1.042 | 0.000 |
| Va(deg) | -15.836 | -15.836 | 0.000 | ||
| 15 | Bus15 | Vm(pu) | 1.038 | 1.038 | 0.000 |
| Va(deg) | -15.928 | -15.928 | 0.000 | ||
| 16 | Bus16 | Vm(pu) | 1.045 | 1.045 | 0.000 |
| Va(deg) | -15.527 | -15.527 | 0.000 | ||
| 17 | Bus17 | Vm(pu) | 1.040 | 1.040 | 0.000 |
| Va(deg) | -15.862 | -15.862 | 0.000 | ||
| 18 | Bus18 | Vm(pu) | 1.028 | 1.028 | 0.000 |
| Va(deg) | -16.542 | -16.543 | 0.001 | ||
| 19 | Bus19 | Vm(pu) | 1.026 | 1.026 | 0.000 |
| Va(deg) | -16.716 | -16.716 | 0.000 | ||
| 20 | Bus20 | Vm(pu) | 1.030 | 1.030 | 0.000 |
| Va(deg) | -16.520 | -16.520 | 0.000 | ||
| 21 | Bus21 | Vm(pu) | 1.033 | 1.033 | 0.000 |
| Va(deg) | -16.143 | -16.143 | 0.000 | ||
| 22 | Bus22 | Vm(pu) | 1.033 | 1.033 | 0.000 |
| Va(deg) | -16.129 | -16.129 | 0.000 | ||
| 23 | Bus23 | Vm(pu) | 1.027 | 1.027 | 0.000 |
| Va(deg) | -16.319 | -16.319 | 0.000 | ||
| 24 | Bus24 | Vm(pu) | 1.021 | 1.021 | 0.000 |
| Va(deg) | -16.495 | -16.496 | 0.001 | ||
| 25 | Bus25 | Vm(pu) | 1.017 | 1.017 | 0.000 |
| Va(deg) | -16.067 | -16.068 | 0.001 | ||
| 26 | Bus26 | Vm(pu) | 1.000 | 1.000 | 0.000 |
| Va(deg) | -16.487 | -16.488 | 0.001 | ||
| 27 | Bus27 | Vm(pu) | 1.023 | 1.023 | 0.000 |
| Va(deg) | -15.543 | -15.544 | 0.001 | ||
| 28 | Bus28 | Vm(pu) | 1.007 | 1.007 | 0.000 |
| Va(deg) | -11.689 | -11.689 | 0.000 | ||
| 29 | Bus29 | Vm(pu) | 1.003 | 1.003 | 0.000 |
| Va(deg) | -16.773 | -16.774 | 0.001 | ||
| 30 | Bus30 | Vm(pu) | 0.992 | 0.992 | 0.000 |
| Va(deg) | -17.656 | -17.656 | 0.000 |
支路潮流计算结果
CloudPSS 与 BPA 支路潮流计算中有功功率与无功功率的结果及误差如下表所示。
| 送端母线 | 受端母线 | 参数类型 | BPA潮流结果 | CloudPSS潮流结果 | 误差绝对值 |
|---|---|---|---|---|---|
| Bus1 | Bus2 | P(MW) | 173.22 | 173.22 | 0.00 |
| Q(MVar) | -21.09 | -21.09 | 0.00 | ||
| Bus1 | Bus3 | P(MW) | 87.73 | 87.73 | 0.00 |
| Q(MVar) | 4.58 | 4.57 | 0.01 | ||
| Bus2 | Bus4 | P(MW) | 43.62 | 43.62 | 0.00 |
| Q(MVar) | 3.91 | 3.90 | 0.01 | ||
| Bus3 | Bus4 | P(MW) | 82.21 | 82.21 | 0.00 |
| Q(MVar) | -3.59 | -3.60 | 0.01 | ||
| Bus2 | Bus5 | P(MW) | 82.39 | 82.39 | 0.00 |
| Q(MVar) | 1.75 | 1.75 | 0.00 | ||
| Bus2 | Bus6 | P(MW) | 60.33 | 60.33 | 0.00 |
| Q(MVar) | 0.44 | 0.44 | 0.00 | ||
| Bus4 | Bus6 | P(MW) | 72.15 | 72.15 | 0.00 |
| Q(MVar) | -16.39 | -16.36 | 0.03 | ||
| Bus5 | Bus7 | P(MW) | -14.77 | -14.77 | 0.00 |
| Q(MVar) | 11.69 | 11.69 | 0.00 | ||
| Bus6 | Bus7 | P(MW) | 38.12 | 38.12 | 0.00 |
| Q(MVar) | -2.98 | -2.98 | 0.00 | ||
| Bus6 | Bus8 | P(MW) | 29.57 | 29.57 | 0.00 |
| Q(MVar) | -8.16 | -8.15 | 0.01 | ||
| Bus12 | Bus14 | P(MW) | 7.86 | 7.86 | 0.00 |
| Q(MVar) | 2.40 | 2.40 | 0.00 | ||
| Bus12 | Bus15 | P(MW) | 17.90 | 17.90 | 0.00 |
| Q(MVar) | 6.81 | 6.80 | 0.01 | ||
| Bus12 | Bus16 | P(MW) | 7.25 | 7.25 | 0.00 |
| Q(MVar) | 3.36 | 3.35 | 0.01 | ||
| Bus14 | Bus15 | P(MW) | 1.59 | 1.58 | 0.01 |
| Q(MVar) | 0.65 | 0.65 | 0.00 | ||
| Bus16 | Bus17 | P(MW) | 3.70 | 3.70 | 0.00 |
| Q(MVar) | 1.45 | 1.44 | 0.01 | ||
| Bus15 | Bus18 | P(MW) | 6.02 | 6.02 | 0.00 |
| Q(MVar) | 1.60 | 1.60 | 0.00 | ||
| Bus18 | Bus19 | P(MW) | 2.78 | 2.78 | 0.00 |
| Q(MVar) | 0.62 | 0.62 | 0.00 | ||
| Bus19 | Bus20 | P(MW) | -6.72 | -6.72 | 0.00 |
| Q(MVar) | -2.79 | -2.79 | 0.00 | ||
| Bus10 | Bus20 | P(MW) | 9.02 | 9.02 | 0.00 |
| Q(MVar) | 3.70 | 3.71 | 0.01 | ||
| Bus10 | Bus17 | P(MW) | 5.32 | 5.33 | 0.01 |
| Q(MVar) | 4.42 | 4.42 | 0.00 | ||
| Bus10 | Bus21 | P(MW) | 15.79 | 15.79 | 0.00 |
| Q(MVar) | 10.02 | 10.01 | 0.01 | ||
| Bus10 | Bus22 | P(MW) | 7.62 | 7.62 | 0.00 |
| Q(MVar) | 4.60 | 4.60 | 0.00 | ||
| Bus21 | Bus22 | P(MW) | -1.82 | -1.83 | 0.01 |
| Q(MVar) | -1.42 | -1.43 | 0.01 | ||
| Bus15 | Bus23 | P(MW) | 5.04 | 5.04 | 0.00 |
| Q(MVar) | 2.92 | 2.91 | 0.01 | ||
| Bus22 | Bus24 | P(MW) | 5.74 | 5.74 | 0.00 |
| Q(MVar) | 3.07 | 3.06 | 0.01 | ||
| Bus23 | Bus24 | P(MW) | 1.81 | 1.81 | 0.00 |
| Q(MVar) | 1.26 | 1.25 | 0.01 | ||
| Bus24 | Bus25 | P(MW) | -1.19 | -1.20 | 0.01 |
| Q(MVar) | 2.03 | 2.01 | 0.02 | ||
| Bus25 | Bus26 | P(MW) | 3.54 | 3.54 | 0.00 |
| Q(MVar) | 2.37 | 2.37 | 0.00 | ||
| Bus25 | Bus27 | P(MW) | -4.75 | -4.76 | 0.01 |
| Q(MVar) | -0.35 | -0.37 | 0.02 | ||
| Bus27 | Bus29 | P(MW) | 6.19 | 6.19 | 0.00 |
| Q(MVar) | 1.67 | 1.67 | 0.00 | ||
| Bus27 | Bus30 | P(MW) | 7.09 | 7.09 | 0.00 |
| Q(MVar) | 1.66 | 1.66 | 0.00 | ||
| Bus29 | Bus30 | P(MW) | 3.70 | 3.70 | 0.00 |
| Q(MVar) | 0.61 | 0.61 | 0.00 | ||
| Bus8 | Bus28 | P(MW) | -0.54 | -0.54 | 0.00 |
| Q(MVar) | -0.39 | -0.39 | 0.00 | ||
| Bus6 | Bus28 | P(MW) | 18.66 | 18.67 | 0.01 |
| Q(MVar) | -0.05 | -0.04 | 0.01 | ||
| Bus6 | Bus10 | P(MW) | 15.84 | 15.84 | 0.00 |
| Q(MVar) | 0.17 | 0.16 | 0.01 | ||
| Bus6 | Bus9 | P(MW) | 27.72 | 27.72 | 0.00 |
| Q(MVar) | -8.19 | -8.17 | 0.02 | ||
| Bus9 | Bus11 | P(MW) | 0.00 | 0.00 | 0.00 |
| Q(MVar) | -15.72 | -15.71 | 0.01 | ||
| Bus9 | Bus10 | P(MW) | 27.72 | 27.72 | 0.00 |
| Q(MVar) | 5.90 | 5.91 | 0.01 | ||
| Bus4 | Bus12 | P(MW) | 44.22 | 44.21 | 0.01 |
| Q(MVar) | 14.31 | 14.25 | 0.06 | ||
| Bus12 | Bus13 | P(MW) | 0.00 | 0.00 | 0.00 |
| Q(MVar) | -10.46 | -10.48 | 0.02 | ||
| Bus28 | Bus27 | P(MW) | 18.06 | 18.06 | 0.00 |
| Q(MVar) | 5.02 | 5.04 | 0.02 |
IEEE30 节点测试系统在 CloudPSS 平台上潮流计算收敛,并且经过对比,CloudPSS 的潮流结果与BPA的潮流结果高度一致,验证了 IEEE30 节点测试系统算例的正确性。
算例地址
点击打开算例地址:30节点测试系统