3 机 9 节点测试系统
描述
CloudPSS 3 机 9 节点系统是在西部系统协调委员会(Western System Coordinating Council, WSCC)提出的 3 机 9 节点经典系统12基础上修改构建的测试系统,由 9 条母线、3 台发电机、3 台双绕组变压器、6 条线路和 3 个负荷组成。所有发电机均采用了励磁系统、电力系统稳定器 PSS、调速器、原动机进行调控。作为测试,在本算例中,于 8 号母线(Bus8)添加了时长 0.1s 的三相接地短路故障,用户可根据需要自行修改、删除或添加其他类型的故障与扰动。
该算例可用于系统动态稳定性研究、功率交换研究、振荡阻尼研究等。
模型介绍
模型拓扑
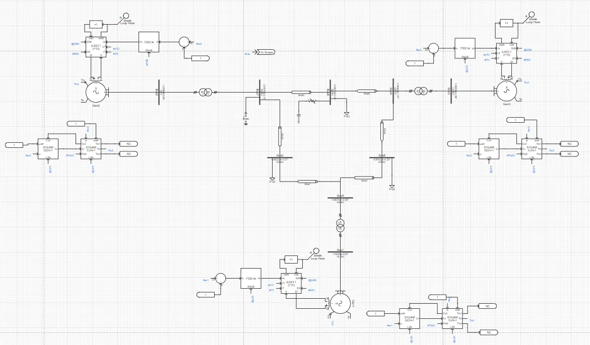
WSCC 三机九节点算例拓扑图如下,其中 B1 节点为松弛节点。各电机相连的母线(1-3)电压等级分别为16.5kV、18kV、13.8kV,剩下所有母线电压均为 525kV。
CloudPSS 上该算例采用单线图构建,其拓扑如下。

CloudPSS 上的 3 机 9 节点系统中,每台电机包含励磁器、调速器、原动机、电力系统稳定器四种控制器模型。
- 励磁器采用 IEEE 标准的 EXST1_PTI 型励磁调节器,详见:EXST1_PTI
- 调速器采用 IEEE 标准的 STEAM_GOV_1 型调速器,详见:STEAM_GOV_1
- 原动机采用 IEEE 标准的 STEAM_TUR_1 型原动机,详见:STEAM_TUR_1
- 电力系统稳定器采用 IEEE 标准的 PSS1A 电力系统稳定器,详见:PSS1A
模型参数
母线参数与潮流解算
母线参数与潮流解算数据如下表所示:
| 母线编号 | 母线名 | 基准电压 | 节点类型 | 电压幅值 (p.u.) | 电压相角 (deg) |
|---|---|---|---|---|---|
| 1 | Bus1 | 16.5 | swing | 1.0000 | 0 |
| 2 | Bus2 | 18.0 | PV | 1.0000 | 0 |
| 3 | Bus3 | 13.8 | PV | 1.0000 | 0 |
| 4 | Bus4 | 525.0 | PV | 0.9831 | -8.88 |
| 5 | Bus5 | 525.0 | PQ | 0.9596 | -13.87 |
| 6 | Bus6 | 525.0 | PQ | 0.9646 | -16.58 |
| 7 | Bus7 | 525.0 | PQ | 0.9899 | -13.97 |
| 8 | Bus8 | 525.0 | PQ | 0.9735 | -18.96 |
| 9 | Bus9 | 525.0 | PQ | 0.9877 | -21.81 |
传输线参数
传输线参数如下表所示,参数为线路全长参数:
| 送端母线 | 受端母线 | 电阻 R (%) | 电抗 X (%) | 电纳 B (%) |
|---|---|---|---|---|
| 4 | 5 | 1.00 | 6.80 | 17.6 |
| 4 | 6 | 1.70 | 9.20 | 15.8 |
| 5 | 7 | 3.20 | 16.10 | 30.6 |
| 6 | 9 | 3.90 | 17.30 | 35.8 |
| 7 | 8 | 0.85 | 5.76 | 14.9 |
| 8 | 9 | 1.19 | 10.08 | 20.9 |
变压器参数
变压器参数如下表所示:
| 送端母线 | 受端母线 | 电阻 R (%) | 电抗 X (%) | 容量基值 | 绕组分接头位置 (p.u.) |
|---|---|---|---|---|---|
| 1 | 4 | 0 | 5.76 | 100 | 1 |
| 2 | 7 | 0 | 6.25 | 100 | 1 |
| 3 | 9 | 0 | 5.86 | 100 | 1 |
负荷参数
负荷参数如下表所示:
| 母线 | 有功 P (MW) | 无功 Q (MVAr) |
|---|---|---|
| 5 | 125 | 50 |
| 6 | 90 | 30 |
| 8 | 100 | 35 |
在 CloudPSS 平台中进行暂态模型参数的设置,涉及到的模型动态参数包括发电机参数、励磁系统参数、电力系统稳定器参数。
发电机参数
发电机参数如下:
| 参数 | 发电机1 | 发电机2 | 发电机3 |
|---|---|---|---|
| 基准容量 | 325 | 325 | 325 |
| 定子漏抗 XI (p.u.) | 0.01 | 0.01 | 0.01 |
| d轴同步电抗 Xd (p.u.) | 0.283875 | 0.283875 | 0.283875 |
| d轴暂态电抗 Xd' (p.u.) | 0.041 | 0.041 | 0.041 |
| d轴次暂态 Xd'' (p.u.) | 0.028895 | 0.028895 | 0.028895 |
| q轴同步电抗 Xq (p.u.) | 0.283875 | 0.283875 | 0.283875 |
| q轴暂态电抗 Xq' (p.u.) | 0.056603 | 0.056603 | 0.056603 |
| q轴次暂态 Xq'' (p.u.) | 0.028895 | 0.028895 | 0.028895 |
| d轴暂态时间常数 Tdo' (s) | 9.01 | 9.01 | 9.01 |
| d轴次暂态时间常数 Tdo'' (s) | 0.045 | 0.045 | 0.045 |
| q轴暂态时间常数 Tqo' (s) | 0.956 | 0.956 | 0.956 |
| q轴次暂态时间常数 Tqo'' (s) | 0.069 | 0.069 | 0.069 |
| 转动惯量时间常数 Tj (s) | 5 | 5 | 5 |
励磁器参数
励磁器采用EXST1_PTI模型,配置参数如下:
| 母线 | Rc | Xc | TR | TC | TB | KF | TF | KA | TA | VRMAX | VRMIN | KC | VIMAX | VIMIN |
|---|---|---|---|---|---|---|---|---|---|---|---|---|---|---|
| 1 | 0 | 0 | 0.01 | 1 | 10 | 0 | 1 | 200 | 0.015 | 5 | -5 | 0 | 0.1 | -0.1 |
| 2 | 0 | 0 | 0.01 | 1 | 10 | 0 | 1 | 200 | 0.015 | 5 | -5 | 0 | 0.1 | -0.1 |
| 3 | 0 | 0 | 0.01 | 1 | 10 | 0 | 1 | 200 | 0.015 | 5 | -5 | 0 | 0.1 | -0.1 |
电力系统稳定器参数
电力系统稳定器采用PSS1A模型,配置参数如下:
| 母线 | T6 | Ks | T5 | A1 | A2 | T1 | T2 | T3 | T4 | VSTMAX | VSTMIN |
|---|---|---|---|---|---|---|---|---|---|---|---|
| 1 | 0 | 2 | 10 | 0 | 0 | 1 | 0.2 | 1 | 0.1 | 0.2 | -0.2 |
| 2 | 0 | 2 | 10 | 0 | 0 | 1 | 0.2 | 1 | 0.1 | 0.2 | -0.2 |
| 3 | 0 | 2 | 10 | 0 | 0 | 1 | 0.2 | 1 | 0.1 | 0.2 | -0.2 |
调速器参数
调速器采用STEAM_GOV_1模型,配置参数如下:
| 母线 | DB | Kg | TSR | TSM | P_up | P_down | Cmax | Cmin |
|---|---|---|---|---|---|---|---|---|
| 1 | 0 | 6 | 0 | 0.075 | 0.6786 | -1 | 0.9 | 0 |
| 2 | 0 | 6 | 0 | 0.075 | 0.6786 | -1 | 0.9 | 0 |
| 3 | 0 | 6 | 0 | 0.075 | 0.6786 | -1 | 0.9 | 0 |
原动机参数
原动机采用STEAM_TUR_1模型,配置参数如下:
| 母线 | K1 | K3 | K5 | K7 | K2 | K4 | K6 | K8 | T4 | T5 | T6 | T7 |
|---|---|---|---|---|---|---|---|---|---|---|---|---|
| 1 | 0.2 | 0.4 | 0.4 | 0 | 0 | 0 | 0 | 0 | 0.3 | 10 | 0.6 | 0 |
| 2 | 0.2 | 0.4 | 0.4 | 0 | 0 | 0 | 0 | 0 | 0.3 | 10 | 0.6 | 0 |
| 3 | 0.2 | 0.4 | 0.4 | 0 | 0 | 0 | 0 | 0 | 0.3 | 10 | 0.6 | 0 |
仿真
模型搭建完成后,在 CloudPSS 平台开展电磁暂态仿真测试。在 5s 时于母线 8 处添加一个持续 0.1s 的 A 相短路接地故障,观察仿真结果。
三台电机转速运行结果如下图所示:

三台电机端功率PQ运行结果如下图所示:

7号母线三相电压(电压矢量测量)结果如下图所示:

7号母线电压运行结果图如下图所示:

算例地址
点击打开算例地址:3机9节点测试系统