硬件在环仿真
本文档主要介绍 CloudPSS EMTLab 在电磁暂态实时仿真中半实物硬件在环的应用方法及案例。
功能定义
CloudPSS EMTLab 可凭借高性能实时仿真器 CloudPSS MiniRT 或 CloudPSS ProRT ,以及数模转换枢纽 CloudPSS I/O Signal Hub,实现硬件在环仿真的应用。
功能说明
硬件平台
硬件在环仿真需要仿真器与真实物理装置进行数据交互。CloudPSS-RT 仿真器具备多种数据交互接口,适用于多种硬件在环仿真应用场景。CloudPSS-RT 的硬件平台示意图如下所示。

CloudPSS-RT 具备 1 个 RJ-45 以太网接口(网口也可通过 USB 接口扩展),可配置 1 - 3 块 FPGA 通信/计算卡,每块 FPGA 通信/计算卡具备 2 - 4 个 SFP 光纤接口。CloudPSS-RT 通过 SFP 接口与 Signal Hub 连接后,将具备 8 路模拟量输入和 32 路模拟量输出,并具备 96 路可控数字量输入/输出,其中含 12 路 PWM 输入和 16 路 PWM 输出,支持 1k - 100kHz 的 PWM 调制与解调。
通过上述数据交互接口,可实现与物理装置的硬件在环仿真。
通信协议
当使用 SFP 光纤接口或以太网接口与真实物理装置通信时,需要定制开发通信协议。
-
SFP 光纤接口通信协议
CloudPSS-RT 的 SFP 光纤接口可采用 Aurora 通信协议。Aurora 协议是 Xilinx 公司提供的一个开放、免费的链路层协议,可进行点对点的串行数据传输,具有高效、稳定和简单易用的特点。Aurora 协议允许器件之间通过多个通道绑定进行通信。单个通道可实现 750Mbit/s - 6.5Gbit/s的通信传输,多个通道的组合可实现几十 Gbit/s 甚至上百 Gbit/s 的通信传输。Aurora 协议的链路结构如下图所示。
Aurora 协议链路结构图 CloudPSS-RT 的 FPGA 通信/计算卡中已内置了一个 Aurora 协议,协议各参数如下表。
参数项 协议内容 帧格式 32 位 Float 同步帧 1 通道,4 字节,0x12345678 有效帧 64 通道,256 字节,用户自定义 帧长度 共 65 通道,260 字节 光口速率 5Gbps 解析方式 大端解析 若真实物理装置的数据交互接口配置成相同的协议,即可与 CloudPSS-RT 通过该协议进行数据交互。
CloudPSS-RT 与 I/O Signal Hub 的数据交互也是通过 SFP 光纤接口进行,使用内置的 Aurora 通信协议实现。
-
以太网接口通信协议
CloudPSS-RT 的以太网接口可采用 Modbus 通信协议。Modbus 是一种串行通信协议,是工业电子设备之间常用的连接方式。由于 Modbus 通信协议是通过以太网进行数据传输的,因此它的数据交互是非实时的,可用于传输一些对延迟要求不高的指令信号。
CloudPSS-RT 中没有内置通用的 Modbus 协议,需要根据真实物理装置的具体需求定制开发。
主从式同步机制
为确保 SFP 光纤接口传输的数据正确、稳定、无丢包,CloudPSS-RT 的光纤通信采用主从式的同步机制。光纤两端的器件,一端作为主模式,按一定时间间隔(一般是仿真步长)发送数据;另一端作为从模式,按相同的时间间隔接收数据,并校验同步帧,默认同步帧之后的帧数据有效。
CloudPSS-RT 可在电磁暂态仿真方案中,设置实时仿真的类型后,选择设置为主模式或从模式,当选为主模式时,CloudPSS-RT 将会以设置的仿真积分步长为间隔,持续发送和接收数据,并且不会校验接收到的数据;当选为从模式时,CloudPSS-RT 将会以设置的仿真积分步长为间隔接收数据,并校验数据的同步帧,若同步帧匹配,则发送数据。以此实现光纤通信的时序同步和数据的正确、稳定交互。

CloudPSS-RT 与其它真实物理装置通过光纤通信时,通常设置为从模式,由 CloudPSS-RT 跟随其它装置的同步信号。
CloudPSS-RT 与 I/O Signal Hub 通信时需设置为从模式。
软件接口
EMTLab 提供了一套实时仿真工具库,包含了硬件在环仿真的软件接口,可将模型中的数据通过 SFP 接口或 I/O Signal Hub 的模拟量、数字量接口输出,或接收 SFP 数据、模拟量信号、数字量信号,参与模型中的仿真计算。

-
SFP 接口元件
提供 SFP 接口功能,输入和输出引脚的维数均为 64,对应 CloudPSS-RT 内置 Aurora 协议的 64 通道有效帧,需配合多路信号合并和多路信号分离元件使用。协议中的同步帧 0x12345678 已隐藏在接口中作为帧头,无需用户设置。
SFP 接口元件 -
虚拟端口元件
提供以太网接口交互功能,虚拟输出端口可将模型的数据从以太网接口输出,虚拟输入端口可接收以太网接口的输入到模型中。
虚拟端口元件一般用于在实时仿真过程中,通过以太网将仿真结果数据传输到上位机观测,也可以接收上位机下发的数据指令。使用方法可参考软件工具 CloudPSS Signal Monitor 文档。
若需要通过以太网接口与真实物理装置通信,需定制开发通信协议,并选定一些虚拟端口元件与待输出、待输入信号绑定。
虚拟端口元件 -
模拟量接口元件
与 I/O Signal Hub 交互数据,实现模拟量输出、模拟量输入功能。一台 CloudPSS I/O Signal Hub 支持最多 32 路模拟量输出通道和 8 路模拟量输入通道,模拟量输出信号的幅值范围为 ±10V,模拟量输入信号的幅值范围为 ±10V,具体使用方法可参考硬件产品 CloudPSS I/O Signal Hub 文档。
模拟量输出与输入元件 -
数字量接口元件
与 I/O Signal Hub 交互数据,实现数字量输出、数字量输入功能。一台 CloudPSS I/O Signal Hub 支持最多 96 路数字量通道,每 8 路为 1 组,可按组为单位切换数字量方向,选择接口为数字量输出或数字量输入。数字量输出信号的低电平为 0V,高电平为 5V,数字量输入信号的高电平判断阈值为 2V。
数字量输出与输入元件 在 96 路通道的数字量接口中,有 16 路可设置为 PWM 输出接口,通过调制波输出元件将基波信号传输至 CloudPSS I/O Signal Hub,Signal Hub 根据用户设置的载波参数将基波调制为 1k - 100kHz 的 PWM 信号,并从对应的数字量接口输出。
并且,还有 12 路可设置为 PWM 输入接口,CloudPSS I/O Signal Hub 将以 10MHz 的频率采样和接收 PWM 信号,并将其解调还原为基波,通过调制波输入元件将基波信号传输至模型中,支持解调的 PWM 频率范围为 1k - 100kHz。
调制波输出与输入元件 数字量接口元件的具体使用方法可参考硬件产品 CloudPSS I/O Signal Hub 文档。
案例
- 储能变流器控制器硬件在环仿真
- 集群储能紧急控制系统硬件在环仿真
- 多能源动模系统功率硬件在环仿真
-
案例介绍
该案例搭建了储能变流器控制器的硬件在环仿真测试平台,被测设备为 ANPC 拓扑的储能变流器控制器,对变流器控制器进行了电压跌落、故障模拟测试,以及阻抗扫描振荡风险分析。

储能变流器控制器硬件在环仿真测试平台 -
平台结构
平台通过 CloudPSS I/O 信号枢纽向储能变流器实物控制器提供网侧电压、变流器交流电压、电流、直流电压等模拟信号;储能变流器实物控制器通过对采集信号进行程序运算并生成 PWM 控制信号,通过高速通信协议传入仿真器中的开关函数模型,对逆变器、各试验开关等模型进行控制,构成闭环试验环境。硬件架构示意图如下图所示。

平台硬件架构示意图 -
系统规模
在环仿真测试模型如图所示,含 21 个开关元件,基于 CPU 的电磁暂态实时仿真步长 10us。

在环仿真测试模型
-
案例介绍
该案例搭建了集群储能紧急控制系统硬件在环仿真测试平台,被测设备为区域协同稳定控制系统,涉及储能主站与子站的控制器,解决在区域电网功率缺额、功率不平衡、频率越限等工况下的储能控制器功能验证问题。

集群储能紧急控制系统硬件在环仿真测试平台 -
平台结构
在 CloudPSS-RT 仿真器中构建区域电网模型和储能模型,通过 CloudPSS I/O Signal Hub 将区域电网的电压、电流数据输出至集群储能紧急控制系统。控制系统根据采集的电压、电流数据完成协同控制,并将储能调控指令通过定制 Modbus 协议传送回区域电网中的储能模型,实现控制器的硬件在环测试。平台结构示意图如下图所示。

平台结构示意图 -
系统规模
仿真测试模型如图所示。区域电网模型采用 10 机 39 节点标准测试算例模型,并根据实际储能电站参数构建 4 台储能 PCS 模型;包含模拟量输出接口和 Modbus 协议接口,共含 367 个电气节点,1824 个控制节点。基于 CPU 的电磁暂态实时仿真步长 20us。

在环仿真测试模型
-
案例介绍
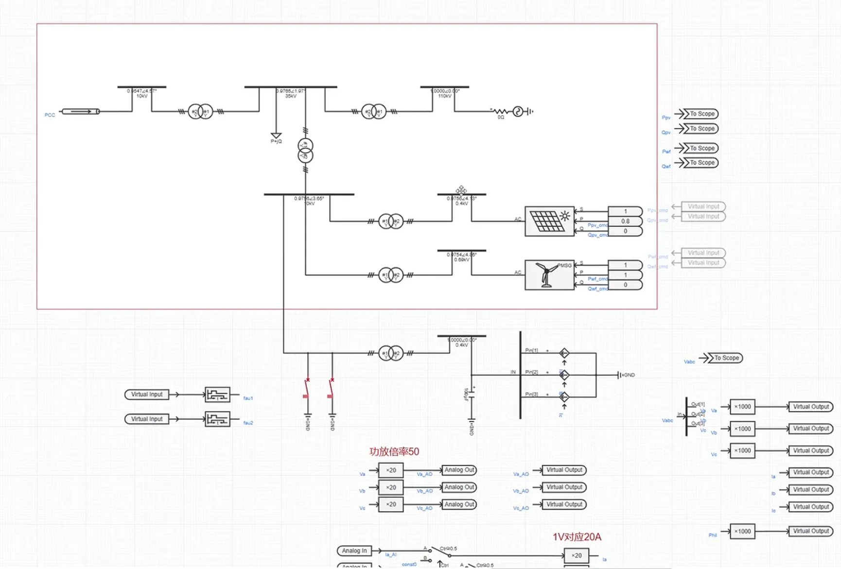
该案例搭建了多能源动模系统功率硬件在环仿真测试平台,平台中包含光伏发电系统、光伏逆变器、RLC负载、故障模拟系统等真实物理设备,通过功率放大器连接物理设备与仿真器,构成功率硬件在环仿真环境。
-
平台结构
在 CloudPSS-RT 仿真器中构建电网等值模型,选择一条母线作为多能源动模系统的并网点,构建功率接口模型。通过 CloudPSS I/O Signal Hub 将多能源动模系统并网母线的三相电压瞬时值经模拟量输出通道(电压范围 ±10V)实时输出,并由功率放大器放大至电压幅值 ±311V,为多能源动模系统中的真实物理设备供电。
同时,功率放大器量测多能源动模系统中一次线缆的三相电流瞬时值,并转换为小电压信号(电压范围 ±10V),从 CloudPSS I/O Signal Hub 的模拟量输入通道返回仿真器,实现仿真器中的电网等值模型和多能源动模系统中光伏发电系统、RLC负载的功率硬件在环。平台结构示意图如下。

功率硬件在环仿真平台结构 -
系统规模
仿真测试模型如图所示。模型中包含变压器、传输线和功率接口,以及详细构建的分布式光伏、直驱风机的全数字模型,共含 960 个电气节点,3200 个控制节点。基于 CPU 的电磁暂态实时仿真步长 50us。

功率硬件在环仿真模型 在功率硬件在环仿真中,操作 RLC 负载物理设备进行负荷投切,仿真结果如图所示。

功率硬件在环仿真结果
常见问题
- 如何修改 SFP 光纤接口通信协议?
-
CloudPSS-RT 内置的 Aurora 通信协议已固化在通信模块中,无法由用户自定义,如需修改通信协议,可联系 CloudPSS 技术人员定制开发。